021-91015616
0

سبد خرید شما خالی است.

ورود / ثبت‌نام

BQ25504EVM-674(#1): EH Low Power Boost Charger

دسته بندی:

bq25504 اولین محصول از خانواده جدیدی از راه حل های مدیریتی مدیریت نانو انرژی یکپارچه هوشمند است که برای رفع نیازهای ویژه برنامه های کاربردی بسیار کم مصرف مناسب است. این محصول به طور خاص برای به دست آوردن و مدیریت موثر میکرووات (μW) تا میلی وات (mW) توان تولید شده از انواع منابع DC مانند ژنراتورهای فتوولتائیک (خورشیدی) یا الکتریکی حرارتی طراحی شده است.

bq25504 اولین دستگاه در نوع خود است که مبدل/شارژر بسیار کارآمدی را برای محصولات و سیستم‌هایی مانند شبکه‌های حسگر بی‌سیم (WSN) که قدرت و نیازهای عملیاتی شدیدی دارند، پیاده‌سازی می‌کند. طراحی bq25504 با مبدل/شارژر تقویت کننده DC-DC شروع می شود که برای شروع کار فقط به میکرووات توان نیاز دارد.

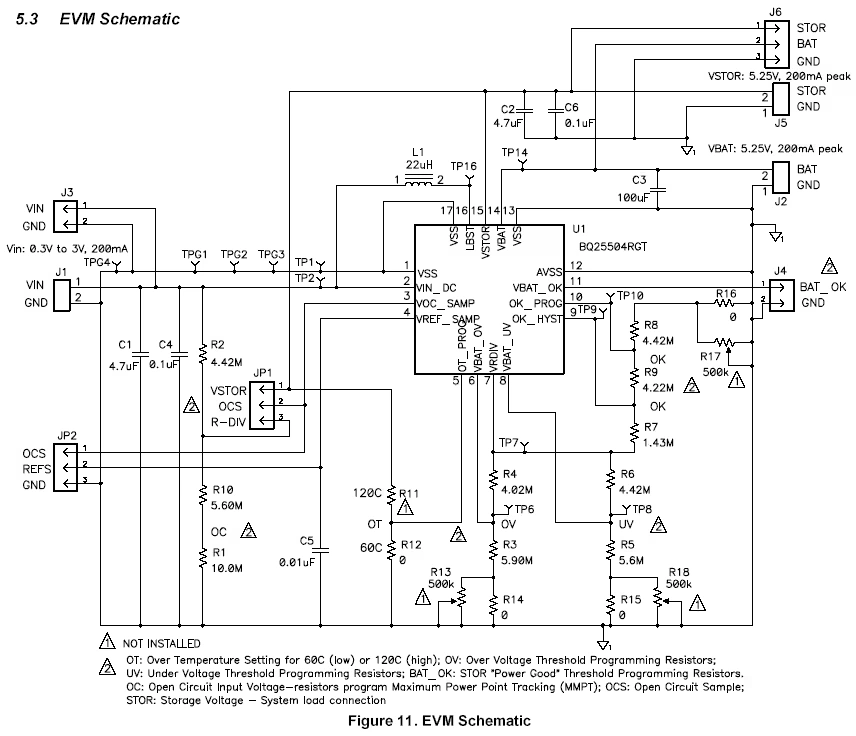
این EVM از کارخانه برای تنظیمات سازگار با اکثر باتری های MCU و 3 ولت سکه ای برنامه ریزی شده است. EVM طوری برنامه ریزی شده است که حداکثر ولتاژ 3.1 VDC (OV) را برای شارژ عنصر ذخیره سازی ارائه دهد و ولتاژ کمتر روی 2.2 VDC برنامه ریزی شده است. هنگامی که VSTOR در 2.8VDC و زمانی که VSTOR به 2.4VDC کاهش می یابد، نشانگر VBAT_OK بالا می رود. راهنمای کاربر ماژول ارزیابی bq25504 (EVM)، نحوه انجام یک ارزیابی مستقل را توضیح می‌دهد و به EVM اجازه می‌دهد با سیستم و میزبان ارتباط برقرار کند.

bq25504 اولین محصول از خانواده جدیدی از راه حل های مدیریتی مدیریت نانو انرژی یکپارچه هوشمند است که برای رفع نیازهای ویژه برنامه های کاربردی بسیار کم مصرف مناسب است. این محصول به طور خاص برای به دست آوردن و مدیریت موثر مایکرووات (µW) تا میلی‌وات (mW) توان تولید شده از انواع منابع DC مانند فتوولتائیک (خورشیدی) یا الکتریکی حرارتی طراحی شده است.

ویژگی‌ها:

1- تنظیمات قابل برنامه ریزی با مقاومت برای ولتاژ کمتر، ولتاژ بیش از حد برای مدیریت انعطاف پذیر باتری از جمله POT برای تنظیم دقیق تنظیمات (غیر پر شده)

2- خروجی فشار کش قابل برنامه ریزی نشانگر وضعیت باتری (VBAT_OK)

3- نقاط تست برای سیگنال‌های کلیدی برای هدف آزمایشی موجود است - اتصال آسان پروب

4- جامپرهای موجود - آسان برای تغییر تنظیمات

مشخصات:

Texas Instruments Manufacturer
296-29834-ND Eval Board Part Number
Texas Instruments Eval Board Supplier
Board not Stocked Eval Board
RF: Wireless Sensor
Smart Building Controls
Thermal Electric Generator (TEG) Harvesting
Application / Target Market
0.33 ~ 3.1 V Voltage In
Capacitor
Lithium Ion, Li-Ion
Super-Capacitor
Thin Film
Cell Type
3.1 V Voltage Out
200 mA Current Out
Over Voltage Protection
Power Good Output
Shutdown, Enable, Standby
Thermal Protection
Under Voltage Protection, Brown-Out
Features
22 + 10 Component Count + Extras
Texas Instruments Design Author
BQ25504 Main I.C. Base Part
400 mW Input Power
200 mA Current In
2020-02 Date Added To Library